Zum Hauptinhalt springen Zur Suche springen Zur Hauptnavigation springen

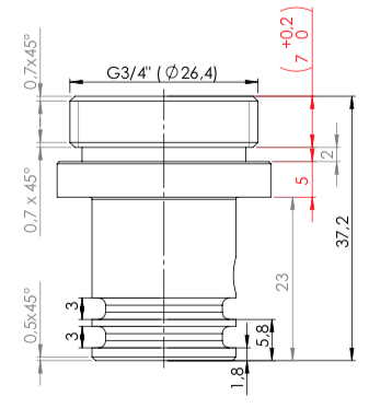
Adapter für Auslauf Ø18 x 3/4" Überwurfmutter Stecknippel Ø20,3 mm ohne O-Ringe

Produktinformationen "Adapter für Auslauf Ø18 x 3/4" Überwurfmutter Stecknippel Ø20,3 mm ohne O-Ringe"