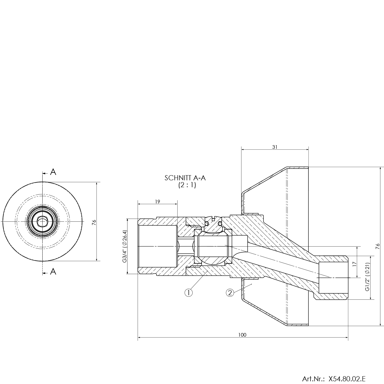
absperrbarer Wand-S-Anschluss ± 17 mm
Produktnummer:
X54.80.02.E