Zum Hauptinhalt springen Zur Suche springen Zur Hauptnavigation springen

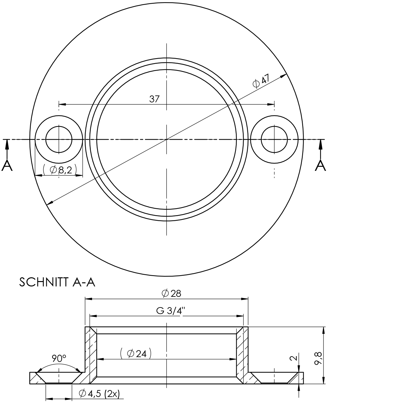
Flansch zu Wandwinkel X36.641.104

Produktinformationen "Flansch zu Wandwinkel X36.641.104"